78 Basic Cutting System
Back
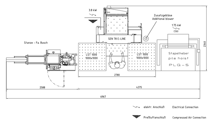
The layout mentioned below shows just one of many versions possible. We would be glad to submit to you a customized Layout.
Brief description 

Pile hoist 
2x LST 1000 side tables 
Senator E-Line 78 guillotine 
Punching machine by: 
Layout
HOMEPRODUCTSHISTORYSALESUSEDSERVICE / PARTS
CONTACT USLITERATUREVIDEOSDEALER INQUIRIES

© Senator Technology. All rights reserved.